TESLA Harmonie II - zmena v zapojeni

Vše okolo historických rádií
Odpovědět
hejnej
Příspěvky: 233
Registrován: 06.09. 2013, 17:48

TESLA Harmonie II - zmena v zapojeni

Příspěvek od hejnej » 18.03. 2021, 18:27

Zrovna se v tom radiu vrtam.
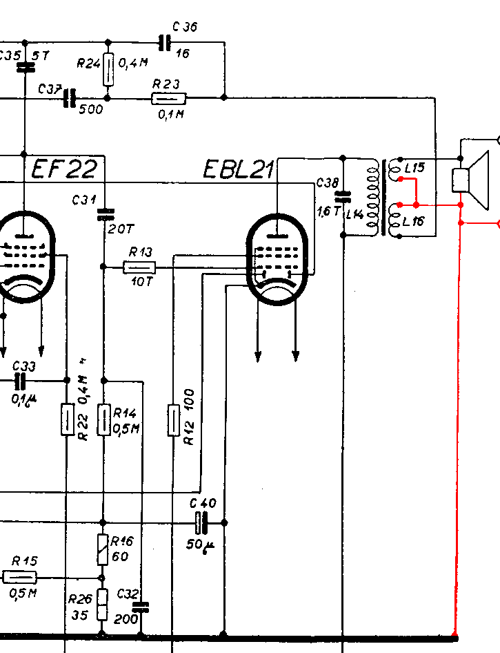
U meho je konec sekundaru vystupaku pripojen na kostru.
Pritom by mel byt na C36 a R23. Ja mam ty vyvody C36 a R23 k sekundaru nepripojeny.
V Kottkovi takova zmena neni v textu uvedena.
Kdo by mel povedomost, zda je to z vyroby nebo nejaka novodobejsi uprava? Ale dle stavu pajenych spoju, bych spis rekl, ze je to z vyroby.
Uživatelský avatar
Milan
Příspěvky: 871
Registrován: 04.04. 2012, 19:01
Bydliště: Nýřany

Re: TESLA Harmonie II - zmena v zapojeni

Příspěvek od Milan » 19.03. 2021, 17:20

Výše popsaná úprava se v sériové výrobě nikdy nepoužívala. VT má sekundár rozdělený na dvě sekce, jedna část vinutí je zapojena přímo na kostru a druhá pak na RC člen záporné zpětné vazby začínající spojem R23, C26, což upravuje nf šíři pásma, o něco málo zmenšuje zesílení, zkreslení a zvyšuje stabilitu. Pokud se v přijímači někdo vrtal tak to nezapojil. Další důvod může být také ten, že se o něco zvýší zesílení a rozšíří nf pásmo. Nebo někdo vyměnil trafo a nevěděl jak zapojit vinutí. Při nesprávném zapojení dojde k rozkmitání zesilovače, namísto záporné zpětné vazby vznikne nf oscilátor s kladnou zv...
hejnej
Příspěvky: 233
Registrován: 06.09. 2013, 17:48

Re: TESLA Harmonie II - zmena v zapojeni

Příspěvek od hejnej » 19.03. 2021, 20:40

Ahoj,
diky moc za odpoved.

Zitra zkusim dat fotku toho vystupaku. Ty vyvody fakt vypadaji jak po opusteni fabriky.

Hledal jsem fotky spodku radia, neni jich na netu moc.

Nasel jsem jednu, co ma stejne usporadani soucastek okolo prepinace P3 jako moje radio.
P3 je vpravo. Poradi soucastek od predniho cela:
placaty C35
R23
asfaltovy C37

zde je odkaz na foto jineho kusu
hejnej
Příspěvky: 233
Registrován: 06.09. 2013, 17:48

Re: TESLA Harmonie II - zmena v zapojeni

Příspěvek od hejnej » 20.03. 2021, 10:34

Tady je foto vystupaku.
Zespod jsou videt 4 draty sekundaru. 2 z nich jsou pres pajeci ocko na trafu spojene s kostrou.
Přílohy
Vystupak.jpg
lubos1961
Příspěvky: 85
Registrován: 23.12. 2014, 21:01

Re: TESLA Harmonie II - zmena v zapojeni

Příspěvek od lubos1961 » 20.03. 2021, 10:47

Samozřejmě by byl nesmysl, kdyby výrobce osadil všechny součástky kolem zabarvení zvuku a nedal tam jeden drátek, jó kdyby to bylo dnes, Číňan by vyřadil všechny součástky, jen ten drátek by tam zůstal.
To propojení je provedeno na elektronkový přijímač nesmírně tenkým drátkem takže stačí při opravě neopatrný pohyb a drátek je fuč a poté na spájeném spoji ani neni pohledově nic vidět.
Přílohy
Harmonie 2c.jpg
Harmonie 2b.png
Harmonie 2a.png
lubos1961
Příspěvky: 85
Registrován: 23.12. 2014, 21:01

Re: TESLA Harmonie II - zmena v zapojeni

Příspěvek od lubos1961 » 20.03. 2021, 10:59

hejnej píše:
20.03. 2021, 10:34
2 z nich jsou pres pajeci ocko na trafu spojene s kostrou.
Ano dva jsou spojeny s kostrou.
Přílohy
Harmonie 2d.png
hejnej
Příspěvky: 233
Registrován: 06.09. 2013, 17:48

Re: TESLA Harmonie II - zmena v zapojeni

Příspěvek od hejnej » 20.03. 2021, 11:46

Diky Lubosi,
projdu to znova dle tveho rozkresu soucastek.
Ten jsem nemel. Dost mi to pomuze.
Predpokladam, ze tenhle stripek nebude takovy orisek, mysi v tom asi neradili, i kdyz zabordelene bylo uvnitr dost.
hejnej
Příspěvky: 233
Registrován: 06.09. 2013, 17:48

Re: TESLA Harmonie II - zmena v zapojeni

Příspěvek od hejnej » 20.03. 2021, 13:58

Tak jsem to jeste porovnal s temi podklady od Lubose.
Zmatl me volny pin na P3, kde je krajni pin (oznacil jsem ho bilou sipkou) s C36 a ten kontakt je zkraceny a nema kontakt s otocnym kontaktnim stredem P3. Tam pripojim vyvod sekundaru vystupaku.
V cervenem krouzku mam kontakt P3, kde jsem zjistil, ze v radiu chybi propojka na druhy konec C36!
Nevypada to, ze by tam bylo nekdy neco pripajeno.
Přílohy
Stav u P3.jpg
Odpovědět