Stavebnice SONORA
-
- Příspěvky: 267
- Registrován: 30.06. 2013, 20:41
- Bydliště: Very Stupid District (hned vedle okresu Postřižiny)
Re: Stavebnice SONORA
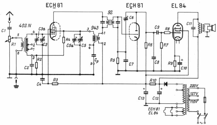
Podařilo se mi najít toto schéma. Není to sice reflexní superhet, ale kombinace superhetu s audionem, ale osazením by to v principu mohlo odpovídat.
Re: Stavebnice SONORA
Když jsem koukal na fotky, vzpoměl jsem si, že jsem někde viděl tu stupnici a na poličce jsem našel tohle co je na fotkách. Ale není to stavebnice, ani tam asi ta stupnice přesně nepatří. Možná se to bude na něco hodit, ty obrázky.

Pak něco zde:https://aukro.cz/super-sonora-1947-48-6945407086
Dost zajímavých info je zde: http://www.radiohistoria.sk/Oldradio/ma ... cu/0000770

Pak něco zde:https://aukro.cz/super-sonora-1947-48-6945407086
Dost zajímavých info je zde: http://www.radiohistoria.sk/Oldradio/ma ... cu/0000770
Re: Stavebnice SONORA
Já jsem porovnával i tu verzi superhetu s těmi dvěma ECH21 protože ji sám vlastním, ale to mně připadlo ještě méně podobné než ta dvojka. Nějaké schéma s UCH vypadá takle. Já ji mám ale také s ECH nacpané v té malé sonoretě.
-
- Příspěvky: 267
- Registrován: 30.06. 2013, 20:41
- Bydliště: Very Stupid District (hned vedle okresu Postřižiny)
Re: Stavebnice SONORA
Tak jsem provedl částečnou analýzu a zjistil jsem že:
- žhavící napětí je rozvedeno pouze jedním vodičem, jako druhý vodič slouží kostra
- elektronka EBL21 tam zřejmě patří, protože piny 6,7,8 a klíč (dI, k, g3, f, s) jsou spojeny se zemí
- pin 5 (DII) vede k sek. vinutí mf filtru
- pin 4 (g2) vede k 2. ellytu a má tvrdý zkrat na zem
- pin 3 (g1) vede přes sériovou kombinaci odporů 600 a 200 kOhm zcela nesmyslně na ten zkratovaný bod napájení
- potenciometr hlasitosti má cca 600 kOM, živý konec přímo na druhý vývod sekundáru mf trafa, studený na zem a běžec přes neidentifikovaný asfalťák a odpor 1,2 MOhm na g1 heptody!
- z g2,4 heptody jde pakatrop v textilní bužírce přímo na g1 EBL21
- na odporu 200 Ohm/2W zřejmě vzniká záporné předpětí, je blokováno chybně pólovaným ellytem 50u/25V.
Tím se zdá být záhada zapojení rozřešena. Je to skutečně reflexní superhet, přičemž se dvakrát využívá heptodová část ECH21, podruhé jako nf zesilovač, kde jako anoda slouží g2,4. Přijímač tedy postrádá mf zesílení, což se musí na jeho funkci značně projevit. Inu, uvidíme dále.
-
- žhavící napětí je rozvedeno pouze jedním vodičem, jako druhý vodič slouží kostra
- elektronka EBL21 tam zřejmě patří, protože piny 6,7,8 a klíč (dI, k, g3, f, s) jsou spojeny se zemí
- pin 5 (DII) vede k sek. vinutí mf filtru
- pin 4 (g2) vede k 2. ellytu a má tvrdý zkrat na zem
- pin 3 (g1) vede přes sériovou kombinaci odporů 600 a 200 kOhm zcela nesmyslně na ten zkratovaný bod napájení
- potenciometr hlasitosti má cca 600 kOM, živý konec přímo na druhý vývod sekundáru mf trafa, studený na zem a běžec přes neidentifikovaný asfalťák a odpor 1,2 MOhm na g1 heptody!
- z g2,4 heptody jde pakatrop v textilní bužírce přímo na g1 EBL21
- na odporu 200 Ohm/2W zřejmě vzniká záporné předpětí, je blokováno chybně pólovaným ellytem 50u/25V.
Tím se zdá být záhada zapojení rozřešena. Je to skutečně reflexní superhet, přičemž se dvakrát využívá heptodová část ECH21, podruhé jako nf zesilovač, kde jako anoda slouží g2,4. Přijímač tedy postrádá mf zesílení, což se musí na jeho funkci značně projevit. Inu, uvidíme dále.
-
Re: Stavebnice SONORA
Určitě by byla lepší kombinace 2xECH21, i vzhledem k menší skříni přijímače, hlasitost by byla víc než dostačující i citlivost by nebyla špatná. Ta EBL21 sev tomhle zapojení pořádně nevybudí... Leda místním vysílačem.Citlivost bude určitě horší než dvoulampovka se ZV. Mf bude patrně nízký, bylo by dobré zapojení oživit aby se zjistilo jak se to chová. Držím palce ! Je to zajímavé zapojení.
-
- Příspěvky: 267
- Registrován: 30.06. 2013, 20:41
- Bydliště: Very Stupid District (hned vedle okresu Postřižiny)
Re: Stavebnice SONORA
Opět musím konstatovat, že moje úvahy se ubírají naprosto stejným směrem. Mám zkušenost, že ani "plnohodnotný" superhet nemá dnes přebytek citlivosti ani výkonu, zvlášť když jsou elektronky opotřebované a jejich katody ztratily velkou část emisní schopnosti. Jakou to má mezifrekvenci, netuším, paralelní kondy jsou 100 pF. Pomohlo by, kdyby někde poznal tu cívkovou soupravu. Ještě jsem se to nepokoušel zapnout, musím napřed odstranit hrubé závady a najít nějaké malé výstupní trafo.
Ještě jsem zjistil, že sokl na AZ11 je přišroubován pod šasi a pro něj ručně vypilovaný otvor má tak říkajíc "fousové rozměry", takže hrozí nebezpečí, že se některá pružina soklu nebo kolík elektronky dotknou šasi. Takže "výtopna" AZ11 půjde asi pryč, jinak by se tam totiž nevešel výstupák. Ten původní byl zřejmě namontován na reproduktoru a já jiný vhodný reprák než z Hadexu nemám.
Co se týká dvou ECH21, nemám bohužel tyto lampy v dobré kondici, zato mám jednu NOS ECL80 v původní krabičce. Puristi nechť uroní slzu, ale pořád je mi milejší hrající rádio než mrtvý kousek.
Ještě jsem zjistil, že sokl na AZ11 je přišroubován pod šasi a pro něj ručně vypilovaný otvor má tak říkajíc "fousové rozměry", takže hrozí nebezpečí, že se některá pružina soklu nebo kolík elektronky dotknou šasi. Takže "výtopna" AZ11 půjde asi pryč, jinak by se tam totiž nevešel výstupák. Ten původní byl zřejmě namontován na reproduktoru a já jiný vhodný reprák než z Hadexu nemám.
Co se týká dvou ECH21, nemám bohužel tyto lampy v dobré kondici, zato mám jednu NOS ECL80 v původní krabičce. Puristi nechť uroní slzu, ale pořád je mi milejší hrající rádio než mrtvý kousek.
Re: Stavebnice SONORA
Já ti dvě nové ECH21 věnuji zadarmo. Máš-li zájem, tak pošli adresu.
-
- Příspěvky: 267
- Registrován: 30.06. 2013, 20:41
- Bydliště: Very Stupid District (hned vedle okresu Postřižiny)
Re: Stavebnice SONORA
Děkuji za nabídku. Máš SZ.
Re: Stavebnice SONORA
Takže pro celodenním pátrání si myslím že by to mělo být tohleto. V původním pramenu uvádějí mezifrekvenční kmitočet 454 kHz, ale jestli to bude 450 nebo 460 je vcelku jedno, k této frekvenci se donastaví ten padingový kondenzátor. K vstupním cívkám a také mezifrekvenci jsou tyto pokyny.
Re: Stavebnice SONORA
Tak tohle je nejoriginálnější "superhet", jaký jsem viděl. Blahopřeju k nalezení.