gavota 424 a

Vše okolo historických rádií
hejnej
Příspěvky: 236
Registrován: 06.09. 2013, 17:48

Re: gavota 424 a

Příspěvek od hejnej » 25.12. 2023, 21:46

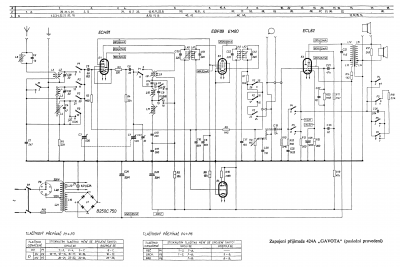
Je tam právě ještě jedna varianta označená jako Novější provedení a ta je čitelná špatně.
lubos1961
Příspěvky: 87
Registrován: 23.12. 2014, 21:01

Re: gavota 424 a

Příspěvek od lubos1961 » 26.12. 2023, 00:23

Tento?
Přílohy
424A Gavota poslední provedení.png
hejnej
Příspěvky: 236
Registrován: 06.09. 2013, 17:48

Re: gavota 424 a

Příspěvek od hejnej » 26.12. 2023, 10:57

Jo,
diky moc, to by mohlo byt ono :thumbsup:
Odpovědět