Šasi už mám opravené, svitky vyměněny ( např. 50 pF v AVC izol. odpor ohmmetrem cca 7MOhmů , to fungovat tedy nemůže). Potenciometr hlasitosti bez vypínače, dán nový. Rozpadlá nefunkční tepelná pojistka trafa nahrazena jinou . Vadný slídový kond v jedné polovině 1.MF , taktéž v oscilátoru DV (kmitalo někde na SV) , nejhorší úplně rozpadlá mřížková cívka oscilátoru na SV . Naštěstí je navinuta nahoře, "odškrábané" kousky drátu změřeny na délku (cca 1,3m) a stejnou délkou drátu nově navinuta - počet závitů byl neznámý/nezjistitelný . Trefil jsem se, dokonce jsem nemusel ani hýbat dolaď. kondenzátorem. Šasi je po výměně AZ11 ( půlka nefunkční), EBL21 ( emise cca 30 procent) a EF22 v mf zesilovači (méně než 50 procent) tedy už sladěné a na am rozsazích funkční.
Současně jsem zde provedl úpravu - odstavení oscilátoru na rozsahu GRAMO , ten obvykle harmonickými (DV) ruší do vstupu vkv. K tomu stačí na desce přepínače oscilátoru zrušit spoj kontaktů 4 a 5 (P2´). Trioda ECH21 pracuje na GRAMO v ss režimu s Ug1 0V . Protože má v anodě odpor 30k+5k, nic se jí nestane , změřen její Ia a je 4,1 mA a Ua cca 56V, ztráta na anodě triody je tedy dostatečně malá.
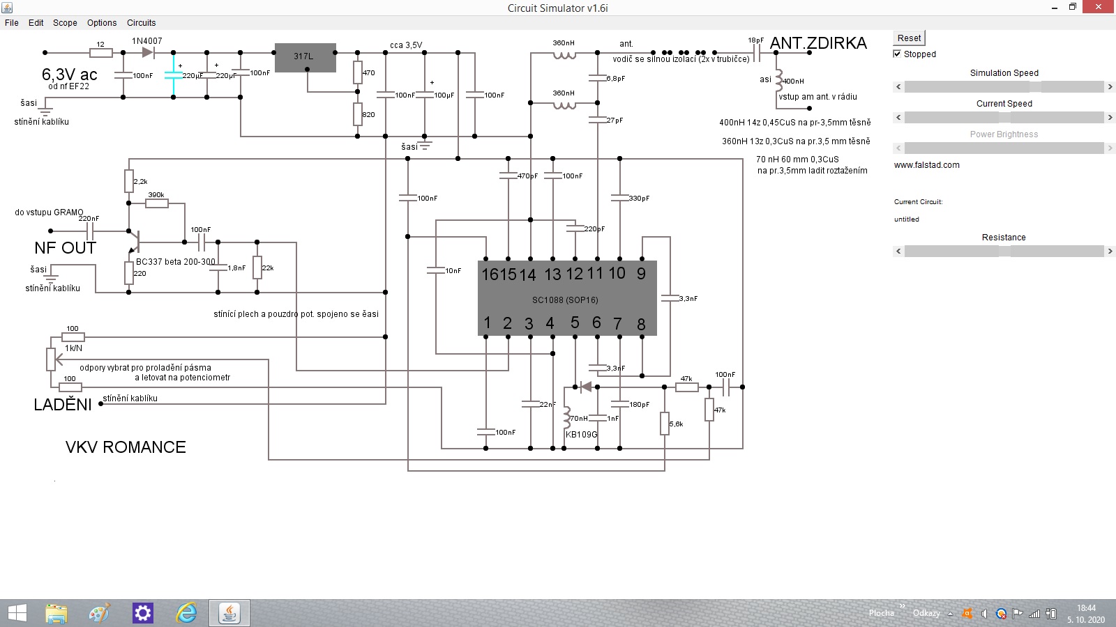
Následovat bude oprava laku , osazení a vestavba destičky s vkv a oprava jednoho prasklého knoflíku . To ale bude pár dní trvat , čím horší počasí, tím to jde rychleji
