Stavebice superhetu
Stavebice superhetu
Zdravím,
dneska jsem koupil stavebnici superhetu, bohužel nevím jestli je to Super I-01 nebo Super 254E. Je to trochu předělané. Nemá někdo Stavební návody k oběma těmto stavebnicím? Byl bych za ně vděčný.
dneska jsem koupil stavebnici superhetu, bohužel nevím jestli je to Super I-01 nebo Super 254E. Je to trochu předělané. Nemá někdo Stavební návody k oběma těmto stavebnicím? Byl bych za ně vděčný.
Re: Stavebice superhetu
Re: Stavebice superhetu
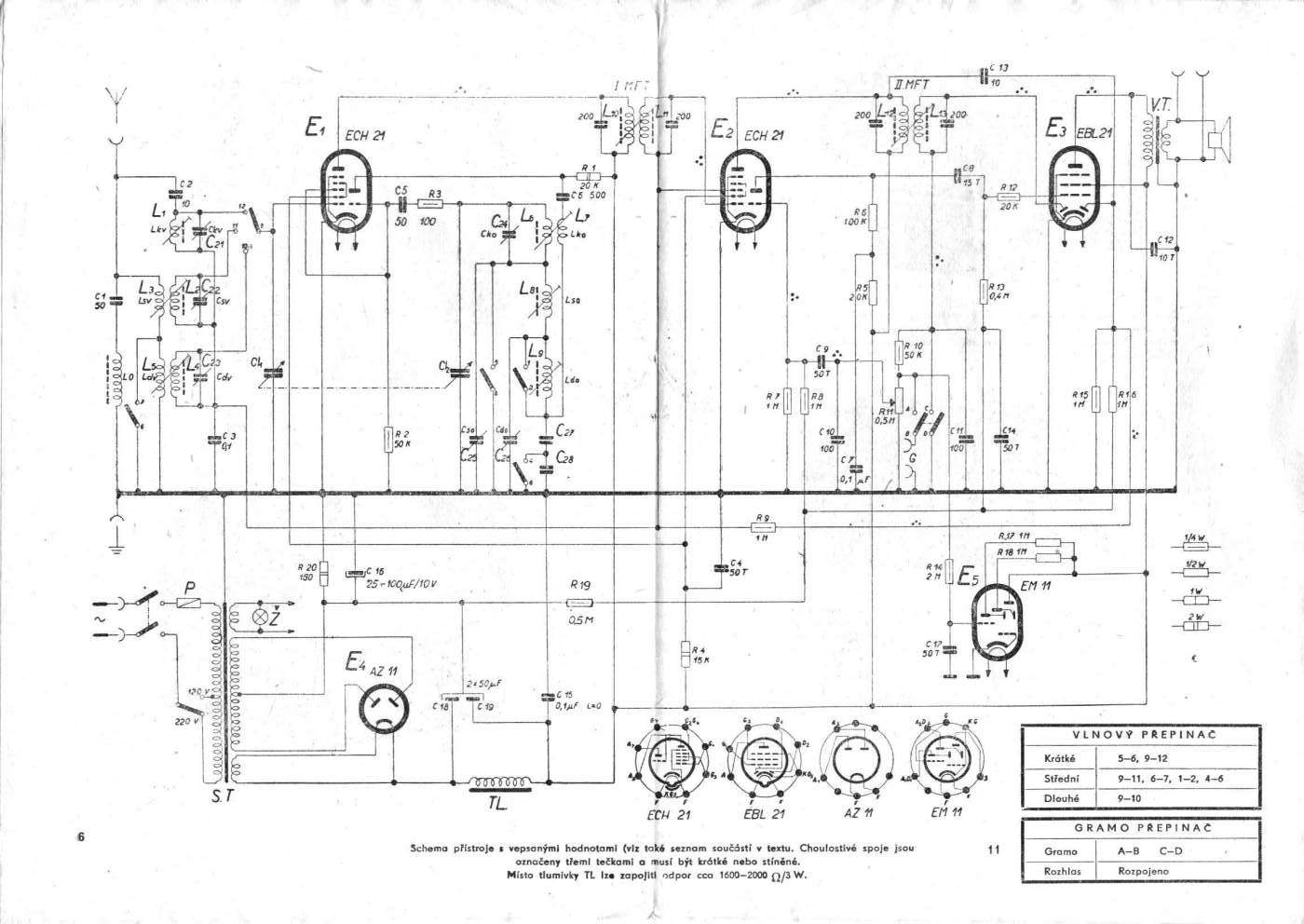
Tak to bude nejspíš 254E ale zbastlená
je tam jiná cívková souprava a dodělaná 6F32. Stačil by i scan. Někde byly uloženy všechny stavební návody, ale nemohu to najít.
Re: Stavebice superhetu
Měl bys sem dát foto nově nabytého aparátu, aby bylo možno se blíže vyjádřit. Super I-OI měl cívkovou soupravu AS2 a autotrafo, Super 254E má cívkovou soupravu PN050 01(téměř stejnou jako je v Talismanu) a plnohodnotné síťové trafo. Jinak mi dej do SZ e-mail a scany stavebních návodů č. 7, 11 pošlu.
Re: Stavebice superhetu
Když jsem přijímač dostal byl bez elektronek, jen ve předu byla 6F32. Domnívám se, že to někdo předělal na audion, ale zase tam není kondenzátor zpětné vazby. Mohl bych cívkovou soupravu použít z Talismanu?
Re: Stavebice superhetu
Je to jen vzdáleně podobné na Super254E. Není vidět (kromě mf tr) cívková soprava, která by tam měla být. Chtělo by to nejspíše celé rozkopat a začít stavět znovu.
Naposledy upravil(a) elka dne 24.12. 2016, 09:35, celkem upraveno 1 x.
Re: Stavebice superhetu
To mám taky v plánu
to postavit znovu. Ale bakelitová skřínka je pěkná, nepopraskaná, nepoškrábaná a ještě i trochu lesklá. Cívková souprava je nejspíš stejná jako v stavebnici Dipenton, takže to někdo nespíš nerozchodil to originální zapojení superhetu a tak to předělal na audion. Jaký tam můžu použít reproduktor? Chybí tam a ani není výřez v ozvučnici.
Re: Stavebice superhetu
Mám tie stavebné návody.Asi všetky.Ak ich potrebuješ môžem ti ich poslať.Daj mail.
Re: Stavebice superhetu
Dneska jsem se pustil do rozebírání toho ,,zázraku techniky,,
Byla tam dodělaná 6f32 jako audion a z původního zapojení použita akorát EBL21 a AZ11. Cívková souprava je stejná jako v Dipentonu, takže originální chybí. Jakými by se daly nahradit? Mám vrak šasi Rytmusové řady, můžu použít z něj?
Re: Stavebice superhetu
Pokud chceš mít své rádio přibližně jako orginál, tak by bylo třeba cívkové soupravy PN050 01. Ona se občas objeví na Aukru, ale většinou se vydraží za nepřiměřeně velký peníz. Jak jsem psal již výše, stejné cívky jsou v Talismanu. Mínusem je, že v nich nejsou hrníčkové trimry, ale nesympatické trimry odvíjecí. Vrak Talismanu není problém sehnat - teď byly zrovna dva vraky na Aukru a jeden na Bazoši. Zapojovací plánky a výkresy od této i dalších cívkových souprav jsou na Rádiohistórii v sekci "Tesla-servis" a kupodivu to jde i stáhnout. Mezifrekvence nech dosavadní, protože ty z Talismanu jsou rozměrově jiné. Stejné mftr měla jen první verze Talismanu a také jeho cívková souprava měla na doladění hrníčkové trimry.
