TM 694

Historické měřící přístroje a ostatní vybavení
Odpovědět
Uživatelský avatar
Time
Příspěvky: 161
Registrován: 17.10. 2011, 20:14
Bydliště: Bratislava

TM 694

Příspěvek od Time » 13.04. 2013, 20:49

Nemáte niekto náhodou schéma k osciloskopu TM 694 ? Moc by mi to pomohlo :)
Uživatelský avatar
Milan
Příspěvky: 871
Registrován: 04.04. 2012, 19:01
Bydliště: Nýřany

Re: TM 694

Příspěvek od Milan » 14.04. 2013, 10:46

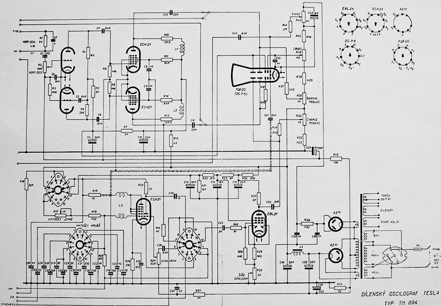
Posílám schéma.
Přílohy
TM-694.jpg
Uživatelský avatar
Time
Příspěvky: 161
Registrován: 17.10. 2011, 20:14
Bydliště: Bratislava

Re: TM 694

Příspěvek od Time » 14.04. 2013, 22:50

Ďakujem mmnohokrát. :thumbsup: :thumbsup: :thumbsup:
Odpovědět