Kmitání mf zesilovače REL Signál / funkce kond. C40
Kmitání mf zesilovače REL Signál / funkce kond. C40
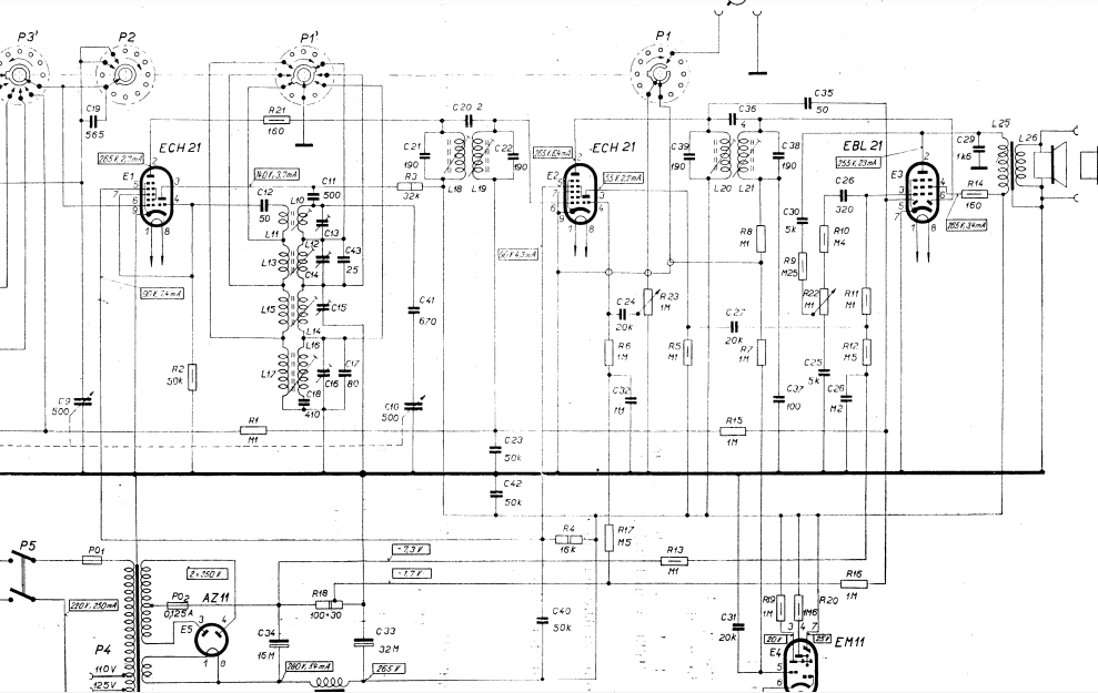
Mám oživeno šasi tohoto rádia . Bohužel se sladění mf zesilovače a vf obvodů nedaří , kmitá druhý stupeň mf zesilovače na cca 500 kHz nezávisle na vlnovém rozsahu a nedaří se to odstranit, pustím-li tam signál, je tam plno záznějů s těmi cca 500 kHz , oscilátorem (běží bezvadně) a signálem , citlivost mizerná . Lampy jsou všechny změřené a mají více než 70 procent, zkoušena i výměna. Kondy 190pF v mf byly všechny sežrané a jsou nové NPO , změřené . Měřím to osciloskopem až na g1 koncové pentody , je tam cca 200 mVpp. Ale napětí AVC se zdá ok, je asi -1,5V . Vyjmutí E1 nemá vliv , kmitá stále . Než to rozeberu kolem patice a mf trafa , kde by mohl být nějaký svod ap. , chtěl bych se zeptat na funkci blokovacího kondu C40 , který podle mě by měl blokovat g2+g4 E1 a g2 E2. Netradičně je však jeho "studený" konec zapojen nikoliv na zem , nýbrž na + . Je vlastně paralelně k R4 , takže spíše zvlnění z + přenáší na ty mřížky. Je to někde obvyklé zapojení či jaký to má účel ?
Díky za tip.
Díky za tip.
-
- Příspěvky: 267
- Registrován: 30.06. 2013, 20:41
- Bydliště: Very Stupid District (hned vedle okresu Postřižiny)
Re: Kmitání mf zesilovače REL Signál / funkce kond. C40
Netuším, jaký to zapojení má účel, a nikde jinde jsem se s ním nesetkal. Z hlediska vf signálu je + pól napájení spojen se zemí, a reaktance C 40 vůči R 4 bude asi zanedbatelná, takže by to asi žádný vliv nemělo mít, ale přesto bych tomuto kodenzátoru věnoval velkou pozornost a kromě jeho výměny bych zkusil jeho studený konec připojit na zem. A asi bych to tak už nechal.
V této souvislosti si vzpomínám na jeden případ úporného kmitání nf zesilovače v přijímači Kongres. Přijímač trvale pištěl, jakmile se vyndala EF22 přestal, pokud se současně přemostila, normálně hrál, samozřejmě s nižší hlasitostí. Vyměnil jsem všechny kondy v nf zesilovači (tenkrát jsem je neměl čím měřit) a překontroloval všechny odpory. Přijímač stále pištěl. Odpojil jsem tedy všechny korekce a zpětné vazby. Žádná změna. Šel jsem tedy do krajnosti a a vystavěl jsem pokusně nf předzesilovač s EF22 v jiné objímce a tak říkajíc "v luftu". Nepomohlo vůbec nic, zesilovač stále kmital. Nakonec jsem to vyřešil tak, že jsem zákazníkovi do bedny zamontoval jiné šasi, které bylo v pořádku, ale nikdy jsem nepřišel na to, čím byla závada zůsobena.
V této souvislosti si vzpomínám na jeden případ úporného kmitání nf zesilovače v přijímači Kongres. Přijímač trvale pištěl, jakmile se vyndala EF22 přestal, pokud se současně přemostila, normálně hrál, samozřejmě s nižší hlasitostí. Vyměnil jsem všechny kondy v nf zesilovači (tenkrát jsem je neměl čím měřit) a překontroloval všechny odpory. Přijímač stále pištěl. Odpojil jsem tedy všechny korekce a zpětné vazby. Žádná změna. Šel jsem tedy do krajnosti a a vystavěl jsem pokusně nf předzesilovač s EF22 v jiné objímce a tak říkajíc "v luftu". Nepomohlo vůbec nic, zesilovač stále kmital. Nakonec jsem to vyřešil tak, že jsem zákazníkovi do bedny zamontoval jiné šasi, které bylo v pořádku, ale nikdy jsem nepřišel na to, čím byla závada zůsobena.
Re: Kmitání mf zesilovače REL Signál / funkce kond. C40
Díky za názor . Dnes jsem se s tím opětovně trápil bez výsledku. Kondenzátor C40 resp. jeho připojení nemá vliv. Znovu jsem prošel zapojení obvodů a zemí, propájel dotčené spoje včetně nýtku zespodu na patici, zkoušel
blokovat napájení atd., vše bez výsledku. S i bez E1 to stále kmitá, na anodě h. E2 je sinusovka cca 30V pp,
na diodě AVC je cca 3Vpp posunutá o asi polovinu do minusu. Zkoušel jsem odpojit C35 ( ampituda ještě trochu
stoupla) a C36 ( žádný vliv) . Prohlédl jsem znovu mf trafo uvnitř , vše je ok , obvodově celistvé, krytu se nic nedotýká. Dal jsem tam E2 s emisí necelých 50 procent, není rozdíl oproti cca 75 procentní . Všechny svitky a většina slídových kondenzátorů jsou nové a změřené.
Přestane to kmitat v případech, že :
- zablokuji mřížku h. na zem kondem desítky nF,
- sejmu kryt mezifrekvence,
- dotknu se větším izolovaným šroubovákem anody h.E2, menší šroubovák jen amplitudu kmitů zmenší.
Tak už jsem docela bezradný , žádnou vazbu krom vnitřní v elektronce , spojích a mf trafu tam nevidím . Snad ještě zkusím ten kousek z anody do mezifrekvence dát stíněný , někde jsem se s tím už potkal .
Kdyby někoho něco napadlo, každý podnět je vítán
.
blokovat napájení atd., vše bez výsledku. S i bez E1 to stále kmitá, na anodě h. E2 je sinusovka cca 30V pp,
na diodě AVC je cca 3Vpp posunutá o asi polovinu do minusu. Zkoušel jsem odpojit C35 ( ampituda ještě trochu
stoupla) a C36 ( žádný vliv) . Prohlédl jsem znovu mf trafo uvnitř , vše je ok , obvodově celistvé, krytu se nic nedotýká. Dal jsem tam E2 s emisí necelých 50 procent, není rozdíl oproti cca 75 procentní . Všechny svitky a většina slídových kondenzátorů jsou nové a změřené.
Přestane to kmitat v případech, že :
- zablokuji mřížku h. na zem kondem desítky nF,
- sejmu kryt mezifrekvence,
- dotknu se větším izolovaným šroubovákem anody h.E2, menší šroubovák jen amplitudu kmitů zmenší.
Tak už jsem docela bezradný , žádnou vazbu krom vnitřní v elektronce , spojích a mf trafu tam nevidím . Snad ještě zkusím ten kousek z anody do mezifrekvence dát stíněný , někde jsem se s tím už potkal .
Kdyby někoho něco napadlo, každý podnět je vítán

Re: Kmitání mf zesilovače REL Signál / funkce kond. C40
Je divné, že je tak nízké napětí AVC, když na anodě mf zesilovače jsou desítky voltů rozkmitu. Zkontroloval bych stav kondenzátorů C35 a C23 a správnost zapojení obvodů okolo. C23 musí být bezindukční. Nebo na zkoušku AVC vyřadit odpojením C35. Není náhodou C23 zemním koncem odpojený nebo dokonce zapojený špatně, např. přímo na diodu AVC?
Edit: špatně jsem četl, 3Vpp na diodě nedokážu posoudit, jestli jsou dobře nebo ne. Podstatné je napětí na C23.
Edit: špatně jsem četl, 3Vpp na diodě nedokážu posoudit, jestli jsou dobře nebo ne. Podstatné je napětí na C23.
Re: Kmitání mf zesilovače REL Signál / funkce kond. C40
Napětí na g1 h. je cca -1,5V, ať to kmitá či ne . C35 ( slídový 50pF změřený včetně napěťové zkoušky na 500V dc) po odpojení od diody znamená zvýšení amplitudy kmitů o asi 10 procent.
Odpor 1M mezi diodou a C23 je a je ok. C23 je TC207 47n, do jaké míry je bezindukční vzhledem k původnímu
asfalťáku nevím, ale asi horší nebude. Zkoušel jsem k C23 přidat další 47n blíže mezi mf a elektronku a zemnit jej na katodu E2 , nemá to vliv.
Možná ještě jako doprovodný jev původce problému je průnik toho nakmitaného napětí na g1 koncové pentody (cca 200 mVpp) i v poloze GRAMO a bez závislosti na nastavení regulátoru hlasitosti či clony . Kudy to tam leze ? Jedině snad kapacitními vazbami. Původně jsem se domníval, že toto napětí po zesílení v E3 vyvolá zvlnění na napájení a to se přenese přes ten C4 na stínící mřížky g2 a g4 a zavazbí se to . Není to tak, blokování g1 E3 nebo anody E3 vf na zem nemá na kmitání vliv.
Odpor 1M mezi diodou a C23 je a je ok. C23 je TC207 47n, do jaké míry je bezindukční vzhledem k původnímu
asfalťáku nevím, ale asi horší nebude. Zkoušel jsem k C23 přidat další 47n blíže mezi mf a elektronku a zemnit jej na katodu E2 , nemá to vliv.
Možná ještě jako doprovodný jev původce problému je průnik toho nakmitaného napětí na g1 koncové pentody (cca 200 mVpp) i v poloze GRAMO a bez závislosti na nastavení regulátoru hlasitosti či clony . Kudy to tam leze ? Jedině snad kapacitními vazbami. Původně jsem se domníval, že toto napětí po zesílení v E3 vyvolá zvlnění na napájení a to se přenese přes ten C4 na stínící mřížky g2 a g4 a zavazbí se to . Není to tak, blokování g1 E3 nebo anody E3 vf na zem nemá na kmitání vliv.
Re: Kmitání mf zesilovače REL Signál / funkce kond. C40
Okolo té g1 bude nějaká chyba. Není možné, aby to kmitalo a bylo na ní -1,5 V. Zapojit externí zdroj cca 20 V kladným pólem na kostru, záporným na diodu. Stejné napětí se musí naměřit na g1 obou heptod.
Re: Kmitání mf zesilovače REL Signál / funkce kond. C40
C40 je zapojený do série s C42 na kostru. O tom jak se volí velikost blokovacího kondenzátoru a jaký má vliv na zesílení je pojednáno v dobové literatuře... Jako další výhoda může být i ten fakt, že tenhle kondenzátor nemusí být dimenzovaný na plné anodové napěti. Tyto kondenzátory musí být v perfektním stavu, stejně jak oba filtrační elyty.
Chyba bývá v objímce, kde je dost často špatný kontakt na kostru, to je kámen úrazu, protože na ten samý kontakt je zapojené i vnitřní stínění elektronky... I je dobré u ECH/UCH proletovat klíč a očistit.
Chyba bývá v objímce, kde je dost často špatný kontakt na kostru, to je kámen úrazu, protože na ten samý kontakt je zapojené i vnitřní stínění elektronky... I je dobré u ECH/UCH proletovat klíč a očistit.
Re: Kmitání mf zesilovače REL Signál / funkce kond. C40
Bohužel, to jsem již udělal, nýtek zespodu objímky jsem sletoval v přepážkou a zemí, vliv to nemělo. Kondy asfalťáky jsou všechny již nové změřené.
Re: Kmitání mf zesilovače REL Signál / funkce kond. C40
Tak jsem se znovu pokoušel to kmitání E2 zlikvidovat. Veškeré pokusy lepším blokováním napájení a AVC či vylepšením - zkrácením zemí - znamenají většinou žádnou změnu, v horším případě ještě nárůst amplitudy kmitů . Vyndal jsem 2.MF ven , znovu proměřil , proletoval, umyl - výsledek nula . Pak jsem ještě vyndal patici E2 , ještě jednou proletoval střed / zem s kontaktem a přepážkou , očistil, změřil izolace mezi kontakty napětím 500V( více než 3000 MOhm) , namontoval - výsledek nula.
Jediný způsob , jak kmitání odstranit ( kromě zablokování g1 h. E2 na zem) , je odpor 82k a menší paralelně k rez. obvodu v anodě E2 , ale to jde do háje jak citlivost, tak selektivita . Amplitudu a trochu frekvenci kmitů lze měnit laděním cívek v anodě E2 (velký vliv) a mřížce E2 (menší vliv) . Ani v krajních polohách jader kmity zcela neustanou . Vyjmutí E1 "za chodu" nemá žádný vliv . Samotné E2 jsem zkoušel 4 ks s emisí 45 - asi 75 procent, osciluje to se všemi . Prostě dokonalý oscilátor !
Už jsem dal dohromady mnoho horších vraků , ale na tohle přijít, to je na Nobelovu cenu
. Tak to asi na čas odložím, až mě to zase začne bavit. Pokud by měl někdo nějaký tip, jak tomu přijít na kloub , tj. metodu ,jak zjistit , kde se to vazbí, moc děkuji předem
.
Jediný způsob , jak kmitání odstranit ( kromě zablokování g1 h. E2 na zem) , je odpor 82k a menší paralelně k rez. obvodu v anodě E2 , ale to jde do háje jak citlivost, tak selektivita . Amplitudu a trochu frekvenci kmitů lze měnit laděním cívek v anodě E2 (velký vliv) a mřížce E2 (menší vliv) . Ani v krajních polohách jader kmity zcela neustanou . Vyjmutí E1 "za chodu" nemá žádný vliv . Samotné E2 jsem zkoušel 4 ks s emisí 45 - asi 75 procent, osciluje to se všemi . Prostě dokonalý oscilátor !

Už jsem dal dohromady mnoho horších vraků , ale na tohle přijít, to je na Nobelovu cenu


Re: Kmitání mf zesilovače REL Signál / funkce kond. C40
Ahoj
Mě už jenom napadá nedokonalé zemění od podložky z pod C33 propojenou na čtneřici kondenzátorů C23, C42, C28 a C31.
Mě už jenom napadá nedokonalé zemění od podložky z pod C33 propojenou na čtneřici kondenzátorů C23, C42, C28 a C31.